找货询价

一对一服务 找料无忧

专属客服

服务时间

周一 - 周六 9:00-18:00

QQ咨询

一对一服务 找料无忧

专属客服

服务时间

周一 - 周六 9:00-18:00

技术支持

一对一服务 找料无忧

专属客服

服务时间

周一 - 周六 9:00-18:00

售后咨询

一对一服务 找料无忧

专属客服

服务时间

周一 - 周六 9:00-18:00

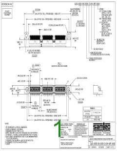
QSS-050-01-STL-D-RA-WT

型号:

QSS-050-01-STL-D-RA-WT

品牌:

SAMTEC[ SAMTEC ]

页数:

5 页

PDF大小:

1012 K

QSS-XXX-XX-XXX-D-RA-WT-XXX  
REVISION AC  
No OF POSITIONS  
OPTION  
C1-A,F-DC  
DO NOT  
SCALE FROM  
THIS PRINT  
-LS1: LOCKING SCREW  
(SEE FIG. 2, SHT 3)  
(FOR MATING WITH  
QTS-...-RA-..LS1)  
-025, -050, -075, -100  
C1  
(PER ROW)  
((No OF POS / 25) x .7875[20.003]) + .550[13.97]  
(SEE NOTE 4)  
-MTI: THREADED INSERT  
(SEE FIG. 5, SHT 5)  
-SP: SOLDER PIN  
((No OF POS / 25) x .7875[20.003]) + .300[7.62] REF  
LEAD STYLE  
-01: .062 BOARD  
-02: .093 BOARD  
.250 6.35 REF (TYP)  
(NOT AVAILABLE  
W/LS1 OPTION)  
(USE SP-19-T)  
.250 6.35 MAX REF (TYP)  
.006 0.15 REF  
(SEE FIG. 3, SHT 4)  
-K: KAPTON PAD  
(SEE FIG. 4, SHEET 4)  
(USE K-500-300)  
.560 14.22  
REF  
-WT: WELD TAB  
(SEE NOTE 4)  
.280 7.11  
REF  
(USE WT-16-XX-T)  
-RA: RIGHT ANGLE  
.125 3.18 INSCRIBED  
ROW SPECIFICATION  
-D: DOUBLE (USE QSS-25-01-D-XX-RA)  
REF (TYP) (SEE NOTE 9)  
C14-A-CP  
PLATING SPECIFICATION  
SEE TABLE 2  
FIG. 1  
C2-F-MV  
QSS-075-01-XXX-D-RA SHOWN  
C2  
C
C
L
L
24 EQ SPACES  
@ .0250[.635]  
.096 2.44 REF  
.069 1.75 REF  
QSS-25-01-D-XX-RA  
.7838 19.91 REF  
01  
C
L
.328 8.33  
.245 6.22 REF  
.186 4.71  
REF  
REF  
02  
"C" REF  
C15-A-CP  
.025 0.64 SQ  
REF (TYP)  
.012 0.30 REF  
C3  
(SEE NOTE 4)  
7 EQ SPACES  
@ .080[2.03]  
C3-F-MV  
.114±.003 2.89±0.08  
(TYP) (SEE NOTE 4)  
((No OF POS / 25) x .7875[20.003]) + .005[0.13] REF  
((No OF POS / 25) x .7875[20.003]) + .225[5.72] REF  
NOTES:  
C
PROPRIETARY NOTE  
UNLESS OTHERWISE SPECIFIED,  
DIMENSIONS ARE IN INCHES.  
TOLERANCES ARE:  
THIS DOCUMENT CONTAINS INFORMATION  
CONFIDENTIAL AND PROPRIETARY TO  
1.  
REPRESENTS A CRITICAL DIMENSION.  
SAMTEC, INC. AND SHALL NOT BE REPRODUCED  
OR TRANSFERRED TO OTHER DOCUMENTS OR  
DISCLOSED TO OTHERS OR USED FOR ANY  
PURPOSE OTHER THAN THAT WHICH IT WAS  
OBTAINED WITHOUT THE EXPRESSED WRITTEN  
CONSENT OF SAMTEC, INC.  
2. BURR ALLOWANCE: .0010 MAX.  
3. MINIMUM PUSHOUT FORCE: 6 OZ.  
DECIMALS  
ANGLES  
2
.XX: .01 [.3]  
520 PARK EAST BLVD, NEW ALBANY, IN 47150  
.XXX: .005 [.13]  
PHONE: 812-944-6733  
FAX: 812-948-5047  
code: 55322  
4. WELD TABS (WT-16-XX-T) NOT AVAILABLE ON -025 POSITION.  
5. IF NEEDED, -L PLATING CAN BE SUBSTITUTED FOR -F PLATING.  
6. IM-1G18-XX-1-XX RETENTION TO BE 1.0 LBS. MINIMUM PRIOR  
TO SECOND ROW FILL.  
.XXXX: .0020 [.051]  
e-Mail: info@SAMTEC.com  
SHEET SCALE: 1.5:1  
DO NOT SCALE DRAWING  
DESCRIPTION:  
MATERIAL:  
.635mm DOUBLE ROW RIGHT ANGLE SOCKET STRIP  
INSULATOR: LCP, COLOR: BLACK  
7. DESIGNED FOR USE WITH A .062 OR .093 THICK PCB  
8. ASSEMBLIES TO BE PACKAGED IN TRAYS.  
9. DELETE  
DWG. NO.  
TERMINAL, GROUND PLANE &  
WELD TAB: PHOS BRONZE  
QSS-XXX-XX-XXX-D-RA-WT-XXX  
SHEET 1 OF 5  
BY:  
KEVIN B  
01/22/02  
F:\DWG\MISC\MKTG\QSS-XXX-XX-XXX-D-RA-WT-XXX-MKT.SLDDRW  
REVISION AC  
.113 2.87 REF  
C-178-02-XXX  
(SEE TABLE 3)  
"F"  
IM-1G18-XX-1-XXX  
(SEE TABLE 3)  
C4  
.1700 4.318  
C4-F-MV  
C5-F-CP  
C5  
C11-F-CP  
.0040 0.102  
C11  
.001[0.00] - .006[0.15]  
(BOTH ROWS)  
C-177-01-XXX  
C13-F-OG  
C13  
SEE TABLE 1  
C6  
"A"  
C12  
"B"  
C12-F-CP  
(SEE NOTE 4)  
C6-B,F-DC  
30° TYP REF  
C10  
WT-16-XX-T  
(SEE NOTE 4)(SEE TABLE 3)  
.148 3.75  
(SEE NOTE 4)  
C10-F-CP  
.207 5.25 REF  
(SEE NOTE 4)  
.040 1.02 REF  
.018 0.457 REF  
.025 0.64 REF  
.010 0.25 REF  
C7  
C7-A-MV  
.285 7.24 REF  
C8  
DETAIL "F"  
SCALE 12 : 1  
C8-A-MV  
C9-A-MV  
.354 8.99 REF  
C9  
.442 11.21 REF  
F:\DWG\MISC\MKTG\QSS-XXX-XX-XXX-D-RA-WT-XXX-MKT.SLDDRW  
PROPRIETARY NOTE  
THIS DOCUMENT CONTAINS INFORMATION  
CONFIDENTIAL AND PROPRIETARY TO  
SAMTEC, INC. AND SHALL NOT BE REPRODUCED  
OR TRANSFERRED TO OTHER DOCUMENTS OR  
DISCLOSED TO OTHERS OR USED FOR ANY  
PURPOSE OTHER THAN THAT WHICH IT WAS  
OBTAINED WITHOUT THE EXPRESSED WRITTEN  
CONSENT OF SAMTEC, INC.  
520 PARK EAST BLVD, NEW ALBANY, IN 47150  
PHONE: 812-944-6733 FAX: 812-948-5047  
e-Mail: info@SAMTEC.com code: 55322  
DESCRIPTION:  
AC  
AC  
DO NOT SCALE DRAWING  
SHEET SCALE: 6:1  
.635mm DOUBLE ROW RIGHT ANGLE SOCKET STRIP  
DWG. NO.  
QSS-XXX-XX-XXX-D-RA-WT-XXX  
KEVIN B  
01/22/02  
SHEET 2 OF 5  
BY:  
REVISION AC  
FIG. 2  
QSS-075-01-XXX-D-RA-LS1 SHOWN  
(SAME AS FIG. 1, EXCEPT AS SHOWN)  
IN-PROCESS 1  
C-177-01-XXX  
"C" REF  
.285 7.24  
C7-A-MV  
QSS-25-01-D-XX-RA  
IN-PROCESS 2  
IM-1G18-XX-1-XXX  
(SEE TABLE 3)  
((No OF POS / 25) x .7875[20.003]) + .330[8.38] REF  
CRITICAL DIMENSION INSPECTION INSTRUCTION TABLE  
START-UP INSPECTION  
INSPECT CODE A  
IN-PROCESS INSPECTION  
INSPECT CODE B  
ASSEMBLY OPERATION  
FILL C-177-01-XXX  
C1, C14, C15  
C7  
.424 10.77  
FILL IM-1G18-XX-1-XXX  
C1, C14, C15, C7  
C17, C8  
C18  
FILL C-178-XX-XXX  
C1, C14, C15, C7, C17, C8  
C17-B-DC  
FILL WT-16-XXX-T  
C1, C14, C15, C7, C17, C18, C8 C6  
LS1  
SP  
C1, C14, C18  
C1, C14, C18  
C1, C14, C18  
C1, C14, C18  
C19  
IN-PROCESS 3  
C19  
C-178-XX-XXX  
K
C16  
MT1  
C20  
F:\DWG\MISC\MKTG\QSS-XXX-XX-XXX-D-RA-WT-XXX-MKT.SLDDRW  
PROPRIETARY NOTE  
THIS DOCUMENT CONTAINS INFORMATION  
CONFIDENTIAL AND PROPRIETARY TO  
SAMTEC, INC. AND SHALL NOT BE REPRODUCED  
OR TRANSFERRED TO OTHER DOCUMENTS OR  
DISCLOSED TO OTHERS OR USED FOR ANY  
PURPOSE OTHER THAN THAT WHICH IT WAS  
OBTAINED WITHOUT THE EXPRESSED WRITTEN  
CONSENT OF SAMTEC, INC.  
520 PARK EAST BLVD, NEW ALBANY, IN 47150  
PHONE: 812-944-6733 FAX: 812-948-5047  
e-Mail: info@SAMTEC.com code: 55322  
DESCRIPTION:  
DO NOT SCALE DRAWING  
SHEET SCALE: 1.5:1  
.635mm DOUBLE ROW RIGHT ANGLE SOCKET STRIP  
DWG. NO.  
.442 11.21  
QSS-XXX-XX-XXX-D-RA-WT-XXX  
C18-B-MV  
BY:  
KEVIN B  
01/22/02  
SHEET 3 OF 5  
REVISION AC  
FIG. 3  
QSS-075-01-XXX-D-RA-WT-SP SHOWN  
(SAME AS FIG. 1, EXCEPT AS SHOWN)  
QSS-25-01-D-XX-RA-SP  
.055 1.40  
C19-B-MV  
.081 2.06 REF  
SP-19-T  
.035 0.89 REF  
((No. OF POSITIONS /25) x .7875[20.0003]) + .300[7.62] .005[.13]  
FIG. 4  
QSS-075-01-XXX-D-RA-WT-K SHOWN  
(SAME AS FIG. 1, EXCEPT AS SHOWN)  
((No. OF POSITIONS x .0315[.800]) - .246.10]) / 2 .020[.51]  
.250 6.35 REF  
.065±.010 1.65±0.25  
"D" .020[.51]  
C16-B-MV  
.790 20.07 REF  
PROPRIETARY NOTE  
THIS DOCUMENT CONTAINS INFORMATION  
CONFIDENTIAL AND PROPRIETARY TO  
SAMTEC, INC. AND SHALL NOT BE REPRODUCED  
OR TRANSFERRED TO OTHER DOCUMENTS OR  
DISCLOSED TO OTHERS OR USED FOR ANY  
PURPOSE OTHER THAN THAT WHICH IT WAS  
OBTAINED WITHOUT THE EXPRESSED WRITTEN  
CONSENT OF SAMTEC, INC.  
520 PARK EAST BLVD, NEW ALBANY, IN 47150  
PHONE: 812-944-6733 FAX: 812-948-5047  
e-Mail: info@SAMTEC.com code: 55322  
DESCRIPTION:  
DO NOT SCALE DRAWING  
SHEET SCALE: 1:0.666667  
.635mm DOUBLE ROW RIGHT ANGLE SOCKET STRIP  
DWG. NO.  
QSS-XXX-XX-XXX-D-RA-WT-XXX  
F:\DWG\MISC\MKTG\QSS-XXX-XX-XXX-D-RA-WT-XXX-MKT.SLDDRW  
BY:  
KEVIN B  
01/22/02  
SHEET 4 OF 5  
FIG. 5  
REVISION AC  
QSS-075-01-XXX-D-RA-WT-MTI SHOWN  
(SAME AS FIG. 1, EXCEPT AS SHOWN)  
.274 6.96  
REF  
#4-40 THREAD REF  
C20-B-CP  
.081 2.06 REF  
((No. OF POSITIONS /25) x .7875[20.003]) + .662[16.80] REF  
((No. OF POSITIONS/25) x .7875[20.003]) + .947[24.04] REF  
PROPRIETARY NOTE  
THIS DOCUMENT CONTAINS INFORMATION  
CONFIDENTIAL AND PROPRIETARY TO  
SAMTEC, INC. AND SHALL NOT BE REPRODUCED  
OR TRANSFERRED TO OTHER DOCUMENTS OR  
DISCLOSED TO OTHERS OR USED FOR ANY  
PURPOSE OTHER THAN THAT WHICH IT WAS  
OBTAINED WITHOUT THE EXPRESSED WRITTEN  
CONSENT OF SAMTEC, INC.  
520 PARK EAST BLVD, NEW ALBANY, IN 47150  
PHONE: 812-944-6733  
FAX: 812-948-5047  
code: 55322  
e-Mail: info@SAMTEC.com  
DESCRIPTION:  
DO NOT SCALE DRAWING  
SHEET SCALE: 1:0.666667  
.635mm DOUBLE ROW RIGHT ANGLE SOCKET STRIP  
DWG. NO.  
QSS-XXX-XX-XXX-D-RA-WT-XXX  
F:\DWG\MISC\MKTG\QSS-XXX-XX-XXX-D-RA-WT-XXX-MKT.SLDDRW  
BY:  
KEVIN B  
01/22/02  
SHEET 5 OF 5  
厂商 型号 描述 页数 下载

SAMTEC

QSS--016-01FTL-D-DP [ 32 CONTACT(S), FEMALE, STRAIGHT TWO PART BOARD CONNECTOR, SURFACE MOUNT, SOCKET ] 3 页

SAMTEC

QSS--016-01H-D-DP [ 32 CONTACT(S), FEMALE, STRAIGHT TWO PART BOARD CONNECTOR, SURFACE MOUNT, SOCKET ] 3 页

SAMTEC

QSS--016-01L-D-DP [ 32 CONTACT(S), FEMALE, STRAIGHT TWO PART BOARD CONNECTOR, SURFACE MOUNT, SOCKET ] 3 页

SAMTEC

QSS--016-01STL-D-DP [ 32 CONTACT(S), FEMALE, STRAIGHT TWO PART BOARD CONNECTOR, SURFACE MOUNT, SOCKET ] 3 页

SAMTEC

QSS--048-01F-D-DP [ 96 CONTACT(S), FEMALE, STRAIGHT TWO PART BOARD CONNECTOR, SURFACE MOUNT, SOCKET ] 3 页

SAMTEC

QSS--048-01H-D-DP [ 96 CONTACT(S), FEMALE, STRAIGHT TWO PART BOARD CONNECTOR, SURFACE MOUNT, SOCKET ] 3 页

SAMTEC

QSS--048-01L-D-DP [ 96 CONTACT(S), FEMALE, STRAIGHT TWO PART BOARD CONNECTOR, SURFACE MOUNT, SOCKET ] 3 页

SAMTEC

QSS--064-01FTL-D-DP [ 128 CONTACT(S), FEMALE, STRAIGHT TWO PART BOARD CONNECTOR, SURFACE MOUNT, SOCKET ] 3 页

SAMTEC

QSS--064-01H-D-DP [ 128 CONTACT(S), FEMALE, STRAIGHT TWO PART BOARD CONNECTOR, SURFACE MOUNT, SOCKET ] 3 页

SAMTEC

QSS--064-01L-D-DP [ 128 CONTACT(S), FEMALE, STRAIGHT TWO PART BOARD CONNECTOR, SURFACE MOUNT, SOCKET ] 3 页

PDF索引:

A

B

C

D

E

F

G

H

I

J

K

L

M

N

O

P

Q

R

S

T

U

V

W

X

Y

Z

0

1

2

3

4

5

6

7

8

9

IC型号索引:

A

B

C

D

E

F

G

H

I

J

K

L

M

N

O

P

Q

R

S

T

U

V

W

X

Y

Z

0

1

2

3

4

5

6

7

8

9

Copyright 2024 gkzhan.com Al Rights Reserved 京ICP备06008810号-21 京

0.209822s