找货询价

一对一服务 找料无忧

专属客服

服务时间

周一 - 周六 9:00-18:00

QQ咨询

一对一服务 找料无忧

专属客服

服务时间

周一 - 周六 9:00-18:00

技术支持

一对一服务 找料无忧

专属客服

服务时间

周一 - 周六 9:00-18:00

售后咨询

一对一服务 找料无忧

专属客服

服务时间

周一 - 周六 9:00-18:00

QTS-050-02-L-D-RA

型号:

QTS-050-02-L-D-RA

品牌:

SAMTEC[ SAMTEC ]

页数:

4 页

PDF大小:

485 K

REVISION AN  
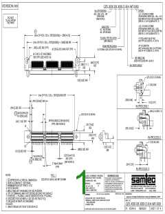
QTS-XXX-XX-XXX-D-RA-WT-XXX  
No OF POSITIONS  
OPTION  
-025, -050, -075, -100  
[PER ROW]  
-LS1: LOCKING SCREW  
(FOR MATING WITH QSS...-RA...-LS1)  
(USE WITH SP-18-01-TM SOLDER PIN)  
(SEE FIG. 2, SHT 3)(SEE NOTE 11)  
DO NOT  
SCALE FROM  
THIS PRINT  
(SEE NOTE 5)  
-LS2: LOCKING SCREW  
LEAD STYLE  
-01: .062 BOARD  
-02: .093 BOARD  
(FOR MATING WITH QSS...-LS2)  
(USE WITH SP-18-01-TM SOLDER PIN)  
(SEE FIG. 3, SHT 3)(SEE NOTE 11)  
C1  
((No OF POS / 25) x .7875[20.003]) + .580[14.73]  
PLATING SPECIFICATION  
-P: PICK AND PLACE PAD  
(USE PPP-63) (SEE FIG. 4, SHT 4)  
(SEE TABLE 3)  
((No OF POS / 25) x .7875[20.003]) + .330[8.38] REF  
-SP: SOLDER PIN  
(NOT AVAILABLE W/ LSX OPTIONS)  
(USE SP-19-T) (SEE FIG. 5, SHT 4)  
ROW SPECIFICATION  
-D: DOUBLE (USE QTS-25-01-D-XX-RA)  
.250 6.35 REF (TYP)  
.250 6.35 MAX REF (TYP)  
.124 3.15 INSCRIBED  
REF (TYP) (SEE NOTE 10)  
-WT: WELD TAB  
(SEE NOTE 5)(USE WT-16-XX-T)  
.405 10.29  
REF  
.280 7.11  
REF  
-RA: RIGHT ANGLE  
QTS-25-01-D-XX-RA  
.120 3.05 REF  
T-1S52-XXX  
(No OF POS / 25) x .7875[20.003] REF  
.7875 20.00 REF  
.230 5.84  
.110 2.79  
IN-PROCESS 1  
C
L
.094 2.38 REF  
IM-IG14-XXX-1-X  
24 EQ SPACES  
@ .0250[.635]  
C2  
QTS-25-01-D-XX-RA  
C
L
.09375±.0030 2.3813±0.076  
(TYP) (SEE NOTE 5)  
.061 1.56 REF  
01  
.371 9.42  
REF  
.395 10.03  
.235 5.97  
REF  
IN-PROCESS 2  
T-1S53-XX-XXX  
02  
.125 3.18  
REF  
.008 0.20 REF  
.015 0.38 REF  
.025 0.64 SQ  
REF (TYP)  
(SEE NOTE 5)  
7 EQ SPACES  
@ .080[2.03]  
C3  
2
MAX SWAY  
(TYP)  
.299 7.59  
IN-PROCESS 3  
NOTES:  
C
PROPRIETARY NOTE  
THIS DOCUMENT CONTAINS INFORMATION  
CONFIDENTIAL AND PROPRIETARY TO  
SAMTEC, INC. AND SHALL NOT BE REPRODUCED  
OR TRANSFERRED TO OTHER DOCUMENTS OR  
DISCLOSED TO OTHERS OR USED FOR ANY  
PURPOSE OTHER THAN THAT WHICH IT WAS  
OBTAINED WITHOUT THE EXPRESSED WRITTEN  
CONSENT OF SAMTEC, INC.  
FIG. 1  
UNLESS OTHERWISE SPECIFIED,  
DIMENSIONS ARE IN INCHES.  
TOLERANCES ARE:  
QTS-075-01-XXX-D-RA-WT SHOWN  
1.  
REPRESENTS A CRITICAL DIMENSION.  
2. BURR ALLOWANCE: .0010 MAX.  
3. MINIMUM PUSHOUT FORCE: 5 OZ.  
4. NOTE DELETED.  
DECIMALS  
ANGLES  
2
.XX: .01 [.3]  
520 PARK EAST BLVD, NEW ALBANY, IN 47150  
PHONE: 812-944-6733 FAX: 812-948-5047  
e-Mail info@SAMTEC.com code 55322  
.XXX: .005 [.13]  
.XXXX: .0020 [.051]  
5. WELD TABS NOT AVAILABLE ON -025 POSITION.  
6. TIPS OF TERMINALS MAY NOT EXTEND BEYOND THIS SURFACE.  
7. IF NEEDED, -L PLATING CAN BE SUBSTITUTED FOR -F PLATING.  
8. DESIGNED FOR USE WITH A .062 OR .093 THICK PCB.  
9. PACKAGE IN TRAYS AS STANDARD.  
SHEET SCALE: 1:0.8  
DO NOT SCALE DRAWING  
DESCRIPTION:  
MATERIAL:  
.635mm DOUBLE ROW RIGHT ANGLE TERMINAL STRIP  
INSULATOR: LCP, COLOR: BLACK  
TERMINAL, WELD TAB & GROUND PLANE:  
PHOS BRONZE  
DWG. NO.  
10.DELETE  
SCREW: STEEL  
QTS-XXX-XX-XXX-D-RA-WT-XXX  
11. MAX TORQUE ON STS-02 TO BE 20 IN-OZ.  
KEVIN B  
08/03/01  
SHEET 1 OF 4  
F:\DWG\MISC\MKTG\QTS-XXX-XX-XXX-D-RA-WT-XXX-MKT.SLDDRW  
BY:  
REVISION AN  
.098 2.49 REF  
.024 0.61 REF  
T-1S53-01-XXX  
IM-1G14-XX-1-XXX  
(SEE TABLE 2)  
.1510 3.835  
(MEASURED  
C4  
TERMINAL TO  
TERMINAL)  
.001[0.03]-.006[0.15]  
(BOTH ROWS)  
T-1S52-01-XXX  
C13  
C5  
C12  
SEE NOTE 6  
SEE TABLE 1  
C6  
"A"  
C11  
"B"  
(SEE NOTE 5)  
WT-16-XX-XX  
(SEE TABLE 2)  
(SEE NOTE 5)  
C10  
.132 3.35  
(SEE NOTE 5)  
.052 1.31 REF  
(SEE NOTE 5)  
.025 0.64 REF  
.040 1.02 REF  
.012 0.30 REF  
C7  
.110 2.79  
.184 4.66  
.299 7.59  
C9  
F:\DWG\MISC\MKTG\QTS-XXX-XX-XXX-D-RA-WT-XXX-MKT.SLDDRW  
PROPRIETARY NOTE  
THIS DOCUMENT CONTAINS INFORMATION  
CONFIDENTIAL AND PROPRIETARY TO  
SAMTEC, INC. AND SHALL NOT BE REPRODUCED  
OR TRANSFERRED TO OTHER DOCUMENTS OR  
DISCLOSED TO OTHERS OR USED FOR ANY  
PURPOSE OTHER THAN THAT WHICH IT WAS  
OBTAINED WITHOUT THE EXPRESSED WRITTEN  
CONSENT OF SAMTEC, INC.  
520 PARK EAST BLVD, NEW ALBANY, IN 47150  
PHONE: 812-944-6733 FAX: 812-948-5047  
e-Mail info@SAMTEC.com code 55322  
DESCRIPTION:  
DO NOT SCALE DRAWING  
SHEET SCALE: 1:0.166667  
.635mm DOUBLE ROW RIGHT ANGLE TERMINAL STRIP  
DWG. NO.  
QTS-XXX-XX-XXX-D-RA-WT-XXX  
BY:  
KEVIN B  
08/03/01  
SHEET 2 OF 4  
REVISION AN  
2 MAX SWAY  
(TYP)  
FIG. 2  
"A"  
"A"  
0.096 [2.44] REF  
-LS1 OPTION  
(QTS-075-01-XXX-D-RA-WT-LS1 SHOWN)  
(SAME AS FIG. 1, EXCEPT AS SHOWN)  
(AVAILABLE ON -01 LEADSTYLE ONLY)  
QTS-25-01-D-XX-RA-LS1  
.246±.010 6.25±0.25  
.072 1.83  
REF  
STS-02  
(SEE NOTE 11)  
SCREW CANNOT PROTRUDE  
BEYOND THIS SURFACE  
SP-18-01-TM C  
C15  
.055 1.40  
.035 0.89 REF  
.102 2.59  
C14  
(((NoOF POS/25) x .7875 [20.003]) + .330 [8.38]) .005 [.13]  
SECTION "A"-"A"  
FIG. 3  
QTS-25-01-D-XX-RA-LS2  
-LS2 OPTION  
(QTS-075-01-XXX-D-RA-WT-LS2 SHOWN)  
(SAME AS FIG. 2, EXCEPT AS SHOWN)  
.096 2.44 REF  
(CLEARANCE HOLE  
FOR USE WITH 2-56 SCREW)  
C15  
C
SP-18-01-TM  
.055 1.40  
.035 0.89  
C14  
PROPRIETARY NOTE  
THIS DOCUMENT CONTAINS INFORMATION  
CONFIDENTIAL AND PROPRIETARY TO  
(((NoOF POS/25) x .7875 [20.003]) + .330 [8.38]) .005 [.13]  
SAMTEC, INC. AND SHALL NOT BE REPRODUCED  
OR TRANSFERRED TO OTHER DOCUMENTS OR  
DISCLOSED TO OTHERS OR USED FOR ANY  
PURPOSE OTHER THAN THAT WHICH IT WAS  
OBTAINED WITHOUT THE EXPRESSED WRITTEN  
CONSENT OF SAMTEC, INC.  
520 PARK EAST BLVD, NEW ALBANY, IN 47150  
PHONE: 812-944-6733 FAX: 812-948-5047  
e-Mail info@SAMTEC.com code 55322  
DESCRIPTION:  
DO NOT SCALE DRAWING  
SHEET SCALE: 1.5:1  
.635mm DOUBLE ROW RIGHT ANGLE TERMINAL STRIP  
DWG. NO.  
QTS-XXX-XX-XXX-D-RA-WT-XXX  
F:\DWG\MISC\MKTG\QTS-XXX-XX-XXX-D-RA-WT-XXX-MKT.SLDDRW  
BY:  
KEVIN B  
08/03/01  
SHEET 3 OF 4  
REVISION AN  
PPP-63  
FIG.4  
-P OPTION  
(QTS-075-01-XXX-D-RA-WT-P SHOWN)  
(SAME AS FIG. 1, EXCEPT AS SHOWN)  
.575 14.61  
REF  
.900 22.86 REF  
{(No OF POS x .0315[.800] + .005[.13])/2} ± .020[.51]  
+.005  
-.010  
+0.13  
4.95  
-0.25  
.195  
.433 10.99 REF  
.300 7.62 REF  
FIG. 5  
-SP OPTION  
(QTS-075-01-XXX-D-RA-WT-SP SHOWN)  
(SAME AS FIG. 1, EXCEPT AS SHOWN)  
C15  
.055 1.40  
SP-19-T  
.035 0.89 REF  
.102 2.59  
C14  
(((NoOF POS/25) x .7875 [20.003]) + .330 [8.38]) .005 [.13]  
PROPRIETARY NOTE  
THIS DOCUMENT CONTAINS INFORMATION  
CONFIDENTIAL AND PROPRIETARY TO  
SAMTEC, INC. AND SHALL NOT BE REPRODUCED  
OR TRANSFERRED TO OTHER DOCUMENTS OR  
DISCLOSED TO OTHERS OR USED FOR ANY  
PURPOSE OTHER THAN THAT WHICH IT WAS  
OBTAINED WITHOUT THE EXPRESSED WRITTEN  
CONSENT OF SAMTEC, INC.  
520 PARK EAST BLVD, NEW ALBANY, IN 47150  
PHONE: 812-944-6733  
FAX: 812-948-5047  
code 55322  
e-Mail info@SAMTEC.com  
DESCRIPTION:  
DO NOT SCALE DRAWING  
SHEET SCALE: 1.5:1  
.635mm DOUBLE ROW RIGHT ANGLE TERMINAL STRIP  
DWG. NO.  
QTS-XXX-XX-XXX-D-RA-WT-XXX  
F:\DWG\MISC\MKTG\QTS-XXX-XX-XXX-D-RA-WT-XXX-MKT.SLDDRW  
BY:  
KEVIN B  
08/03/01  
SHEET 4 OF 4  
厂商 型号 描述 页数 下载

SAMTEC

QTS-016-01-F-D-DP-A [ Board Connector ] 3 页

SAMTEC

QTS-016-01-F-D-DP-RA-LS1 [ Board Connector, 32 Contact(s), 2 Row(s), Male, Right Angle, Solder and Surface Mount Terminal, ] 4 页

SAMTEC

QTS-016-01-F-D-DP-RA-LS2 [ Board Connector, 32 Contact(s), 2 Row(s), Male, Right Angle, Solder and Surface Mount Terminal, ] 4 页

SAMTEC

QTS-016-01-F-D-DP-RA-WT-LS2 [ Board Connector, 32 Contact(s), 2 Row(s), Female, Right Angle, Surface Mount Terminal, ] 4 页

SAMTEC

QTS-016-01-FTL-D-DP-EM2 [ Board Connector, 32 Contact(s), 2 Row(s), Male, Right Angle, Surface Mount Terminal ] 1 页

SAMTEC

QTS-016-01-H-D-DP-EM2 [ Board Connector, 32 Contact(s), 2 Row(s), Male, Right Angle, Surface Mount Terminal, ] 1 页

SAMTEC

QTS-016-01-H-D-DP-RA [ Board Connector, 32 Contact(s), 2 Row(s), Male, Right Angle, Solder Terminal, ] 4 页

SAMTEC

QTS-016-01-H-D-DP-RA-LS1 [ Board Connector ] 4 页

SAMTEC

QTS-016-01-H-D-DP-RA-LS2 [ Board Connector, 32 Contact(s), 2 Row(s), Male, Right Angle, Solder Terminal, ] 4 页

SAMTEC

QTS-016-01-L-D-DP [ 暂无描述 ] 1 页

PDF索引:

A

B

C

D

E

F

G

H

I

J

K

L

M

N

O

P

Q

R

S

T

U

V

W

X

Y

Z

0

1

2

3

4

5

6

7

8

9

IC型号索引:

A

B

C

D

E

F

G

H

I

J

K

L

M

N

O

P

Q

R

S

T

U

V

W

X

Y

Z

0

1

2

3

4

5

6

7

8

9

Copyright 2024 gkzhan.com Al Rights Reserved 京ICP备06008810号-21 京

0.218449s